Convincing Features
Assignment Type
Subject
Uploaded by Malaysia Assignment Help
Date
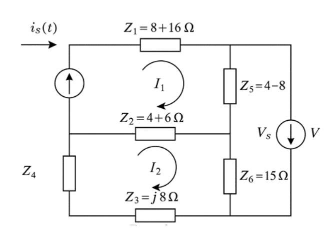
Given:
is(t) = 3cos(4t – 45°) A vs(t) = 12sin(4t – 30°) V
-A current source is(t) feeds a network with three meshes. Elements:
Z1 = 8 + j16 Ω
Z2 = 4 + j6 Ω
Z3 = j8 Ω
Z4 = j8 Ω
Z5 = 4 – j8 Ω
Z6 = 15 Ω
A voltage source vs(t) is connected in the third mesh.

(a) Determine the current through element Z5 and the voltage across element Z5 using Mesh Analysis.
(b) Compute the average power absorbed by element Z3.
(c) Identify the components (R, L, C) that make up element Z2.
(d) Using a phasor diagram, show the voltage-current relationship for element Z6.
A substation is designed to supply power to two schools as detailed below. Determine the total real power and total reactive power supplied by the substation that will provide power to these schools and also its power factor. School 1:1000kW with 0.8pf leading
School 2:1000kW, 1500kVAR (capacitive)
Struggling with mesh analysis, phasors, or power calculations in Electrical Fundamentals and Circuit Analysis (Quiz 2)? Our Malaysia-based engineers expertly handle Z-element currents, average/reactive power, and phasor diagrams with step-by-step accuracy. Check our electrical assignment sample before you decide. Get human-written, AI-free Electrical Fundamentals assignment help from Malaysia Assignment Help today and secure top grades with our trusted online assignment help service.